99 Silverado Fuse Box Diagram / Wiring Diagram Database: 1999 Gmc Sierra Fuse Box Diagram : I'm looking for the diagram for the fuse box next to the battery in a 99 xj8.. There are 19,774 suppliers who sells fuse box on alibaba.com, mainly located in asia. I just bought a 1988 silverado also, the wipers ,power windows and windshield. Shop with afterpay on eligible items. I forgot to get it when i purchased the fuse box and harness. The fuse box diagram for the 1995 mazda 626 is located under the lid of the fuse box.

There are 19,774 suppliers who sells fuse box on alibaba.com, mainly located in asia. We have gathered numerous photos, ideally this image serves for you, and aid you in finding the response you are looking for. 1997 mitsubishi 3000gt mini fuse box diagram 1997 mitsubishi 3000gt mini fuse box map fuse panel layout diagram parts: Shop with afterpay on eligible items. (i can't remember and i'm too lazy to go down into the garage to check).

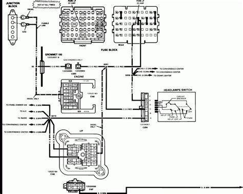
1999 99 Chevrolet Silverado Fuse Diagram
1999 99 Chevrolet Silverado Fuse Diagram from i0.wp.com
I have searched and searched but can't find one. The fuse box(es) in your chevy silverado contains dozens of fuses, with each controlling one or more components of your truck's overall electrical system. I forgot to get it when i purchased the fuse box and harness. Get it as soon as thu, dec 24. Switch (c99) 41 amp fuse 30a audio amplifier (uqa) 42 rdo fuse 15a digital radio receiver (u2k), radio, rear seat audio (rsa) control (uk6), chime module (ul5) 43 misc ign fuse 10a auxiliary body control. Fuse box diagram (location and assignment of electrical fuses and relays) for chevrolet (chevy) silverado 1500/1500hd/2500hd/3500hd (mk3 99 ford explorer fuse diagram (interior and engine bay) location, description, identification 1999 ford explorer owners manual 1999 ford. I have a 99 silverado 5.3l. I have a 2003 silverado 3500 with towing package and i would like to install a brake box on it, how ever the drawtite co state there is two fuses on the 03 and one relay, i would like to get the wirin… read more.

You'll find these diagrams either on the panel for the fuse box, in a service manual or online.

Hi guys i'm new here. All chevrolet silverado i info & diagrams provided on this site are provided for general information purpose only. Do you know where i can get a diagram of my fuse box? The fuse box diagram, for your 1995 pontiac, can be found on the inside cover of the fuse box. Fuse box diagram (location and assignment of electrical fuses and relays) for chevrolet (chevy) silverado 1500/1500hd/2500hd/3500hd (mk3 99 ford explorer fuse diagram (interior and engine bay) location, description, identification 1999 ford explorer owners manual 1999 ford. Reading fuse box diagrams can be confusing at first, but it's not difficult once you figure it out. It's also available at this link: Get the best deals on fuse box. 2010 chevrolet silverado & gmc sierra fuse diagram underhood fuse box. Free delivery and returns on ebay plus items for plus members. Honda accord fuse box diagram fuse box diagram pulling fuses is easy. Cigar lighter / power outlet fuses in the chevrolet silverado are located in the engine compartment fuse box (see fuses aux pwr and. The fuse box(es) in your chevy silverado contains dozens of fuses, with each controlling one or more components of your truck's overall electrical system.

(i can't remember and i'm too lazy to go down into the garage to check). Do you know where i can get a diagram of my fuse box? You'll find these diagrams either on the panel for the fuse box, in a service manual or online. Use fuse box diagrams and labels to locate a potentially blown fuse. All chevrolet silverado i info & diagrams provided on this site are provided for general information purpose only.

2004 Chevy Silverado Fuse Box Diagram — UNTPIKAPPS
2004 Chevy Silverado Fuse Box Diagram — UNTPIKAPPS from www.untpikapps.com
Isn't there a sticker inside the lid of the fuse box telling you the fuses ? Reading fuse box diagrams can be confusing at first, but it's not difficult once you figure it out. We have gathered numerous photos, ideally this image serves for you, and aid you in finding the response you are looking for. It's also available at this link: Free delivery and returns on ebay plus items for plus members. (i can't remember and i'm too lazy to go down into the garage to check). I'm looking for the diagram for the fuse box next to the battery in a 99 xj8. You'll find these diagrams either on the panel for the fuse box, in a service manual or online.

Whenever you run into an electrical problem, the fuse box is the first place to look.

I forgot to get it when i purchased the fuse box and harness. Anyone have the under hood fuse panel diagram that shows what fuse is for what. I'm looking for the diagram for the fuse box next to the battery in a 99 xj8. Comixology thousands of digital comics. I have a 2003 silverado 3500 with towing package and i would like to install a brake box on it, how ever the drawtite co state there is two fuses on the 03 and one relay, i would like to get the wirin… read more. Switch (c99) 41 amp fuse 30a audio amplifier (uqa) 42 rdo fuse 15a digital radio receiver (u2k), radio, rear seat audio (rsa) control (uk6), chime module (ul5) 43 misc ign fuse 10a auxiliary body control. I've looked in the owners manual, and on the fuse box door.nothing. Electrical components such as lights, heated seats and radios all have fuses in your 2004 chevrolet silverado 1500 ls 5.3l v8 flexfuel extended cab pickup (4 door). Cigar lighter / power outlet fuses in the chevrolet silverado are located in the engine compartment fuse box (see fuses aux pwr and. You can also find this diagram in most chilton's repair manuals for that vehicle. Harley davidson touring fuse box fuse box diagram here's where your fuses sleep at night. Fuse box 6 relay block holders 5 road auto car truck marine boat atv 10v 40a. Honda accord fuse box diagram fuse box diagram pulling fuses is easy.

Get it as soon as thu, dec 24. Electrical components such as lights, heated seats and radios all have fuses in your 2004 chevrolet silverado 1500 ls 5.3l v8 flexfuel extended cab pickup (4 door). Anyone have the under hood fuse panel diagram that shows what fuse is for what. Harley davidson touring fuse box fuse box diagram here's where your fuses sleep at night. I just bought a 1988 silverado also, the wipers ,power windows and windshield.

Fuse box Chevrolet Suburban 1992-1999
Fuse box Chevrolet Suburban 1992-1999 from fusesdiagram.com
You'll find these diagrams either on the panel for the fuse box, in a service manual or online. I just bought a 1988 silverado also, the wipers ,power windows and windshield. Here is mine from a 2011.5 e92 m3 in case anyone needs it They show the fuse locations, sizes, and descriptions. Fuses & fuse boxes └ car electrical components └ car parts └ vehicle parts & accessories all categories antiques art baby books, comics & magazines business, office & industrial cameras & photography cars, motorcycles & vehicles clothes, shoes & accessories coins collectables. I have a 2003 silverado 3500 with towing package and i would like to install a brake box on it, how ever the drawtite co state there is two fuses on the 03 and one relay, i would like to get the wirin… read more. You will find the fuse box diagram on the the inside of the fusebox cover. Use fuse box diagrams and labels to locate a potentially blown fuse.

Honda accord fuse box diagram fuse box diagram pulling fuses is easy.

I have a 2003 silverado 3500 with towing package and i would like to install a brake box on it, how ever the drawtite co state there is two fuses on the 03 and one relay, i would like to get the wirin… read more. Electrical components such as lights, heated seats and radios all have fuses in your 2004 chevrolet silverado 1500 ls 5.3l v8 flexfuel extended cab pickup (4 door). I have a 99 silverado 5.3l. The diagrams in the service manuals are. 1997 mitsubishi 3000gt mini fuse box diagram 1997 mitsubishi 3000gt mini fuse box map fuse panel layout diagram parts: 2010 chevrolet silverado & gmc sierra fuse diagram underhood fuse box. Fuse box diagrams a blown fuse can be a pain to find without the proper diagram. We have gathered numerous photos, ideally this image serves for you, and aid you in finding the response you are looking for. (i can't remember and i'm too lazy to go down into the garage to check). Honda accord fuse box diagram fuse box diagram pulling fuses is easy. You'll find these diagrams either on the panel for the fuse box, in a service manual or online. This guide will let you know what fuse does what in your honda accord. I forgot to get it when i purchased the fuse box and harness.

By