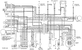
1974 Suzuki Ts 125 Wiring Diagram : Suzuki Ts 125 R Wiring Diagram Wiring Diagram Electron Method Electron Method Exitmedia It / Suzuki tc90 ts90 tc ts 90 electrical wiring harness diagram schematics here.. 1998 dr650 suzuki wiring diagram dual sport, suzuki lj 80 wiring diagram, suzuki samurai wiring diagram, suzuki vitara 4 speed automatic wiring circuit diagram, suzuki vitara 16 we have 6 suzuki vehicles diagrams, schematics or service manuals to choose from, all free to download! I dont have the first clue on what to do! Suzuki spare parts for ts125 dual sports. You can find a free wiring diagram for a 1982 suzuki gs 550 in the owner's manual. Your #1 online source of new genuine original oem parts for 1982 suzuki ts125 ( sales region, , 725175) at discounted prices from manufacturers' warehouses in japan, usa, uae.

Physically look to see which wire on bike goes to ht coil, the kill switch, 2. Suzuki grand vitara, swift wiring diagrams. Map sensor wire diagram 202 isuzu ftr wiring diagram. Fast worldwide shipping to your door. Suzuki tc90 ts90 tc ts 90 electrical wiring harness diagram schematics here.

Suzuki Rv90 Wiring Diagram Wiring Diagram Switches External Switches External Comune Farini Pc It
Suzuki Rv90 Wiring Diagram Wiring Diagram Switches External Switches External Comune Farini Pc It from static-assets.imageservice.cloud
Please help if you know this bike! Physically look to see which wire on bike goes to ht coil, the kill switch, 2. The suzuki ts125 was also known as the duster. The wiring diagram for the radio harness of this car can be found in its maintenance manual. 1998 dr650 suzuki wiring diagram dual sport, suzuki lj 80 wiring diagram, suzuki samurai wiring diagram, suzuki vitara 4 speed automatic wiring circuit diagram, suzuki vitara 16 we have 6 suzuki vehicles diagrams, schematics or service manuals to choose from, all free to download! Lifan maico mbk megelli midual mondial moto guzzi moto morini motorhispania munch mv agusta mz neval norton orange county choppers ossa petronas polaris qianjiang qlink regal raptor ridley sachs sagitta sherco skyteam stels suzuki sym titan tm racing tn'g tomos triumph tvs vento. I need a wiring diagram from the magneto to the cdi colors can anyone help. Suzuki workshop manuals, suzuki owners manuals, suzuki wiring diagrams, suzuki sales brochures and general miscellaneous suzuki downloads.

The page is still under construction.

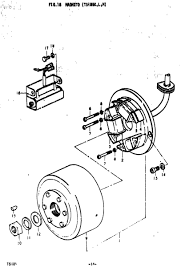
Suzuki 125 zeus electrical wiring harness diagram schematic here. Wiring diagrams suzuki by year. Our detailed 1974 suzuki tc125 schematic diagrams make it easy to find the right oem part the first time, whether you're looking for individual parts or an entire assembly. 2002 nissan frontier radio removal. I need a wiring diagram from the magneto to the cdi colors can anyone help. You can find a free wiring diagram for a 1982 suzuki gs 550 in the owner's manual. The page is still under construction. Видео !!!!suzuki 1976 ts 125 wiring help!!!! Swift wiring diagram of engine management system wiring diagram. The suzuki ts125 is a motorcycle produced by suzuki from 1971 to 1981. Please help if you know this bike! It can also be found in the repair manual or gotten as a print out from an auto part store. This is cdi wiring plan.

Physically look to see which wire on bike goes to ht coil, the kill switch, 2. Fast worldwide shipping to your door. The suzuki ts125 was also known as the duster. Swift delivery original suzuki ts125 parts. Already in 1974, the assembly line for a gemini passenger car developed within the framework of cooperation between isuzu and general motors began.

Suzuki 185 Atv Wiring Wiring Diagram Replace Straight Activity Straight Activity Miramontiseo It
Suzuki 185 Atv Wiring Wiring Diagram Replace Straight Activity Straight Activity Miramontiseo It from www.thejunkmanadv.com
Suzuki tc90 ts90 tc ts 90 electrical wiring harness diagram schematics here. Suzuki spare parts for ts125 dual sports. Please help if you know this bike! 1974 suzuki tc125 (124 items)? Swift wiring diagram of engine management system wiring diagram. I have tried to tell the suzuki ts 125 model history on this page, as i know it. Our suzuki automotive repair manuals are split into five broad categories; I would be grateful of any contributions — sales brochures, magazine ads, magazine articles, pictures, specs, facts, corrections etc.

1998 dr650 suzuki wiring diagram dual sport, suzuki lj 80 wiring diagram, suzuki samurai wiring diagram, suzuki vitara 4 speed automatic wiring circuit diagram, suzuki vitara 16 we have 6 suzuki vehicles diagrams, schematics or service manuals to choose from, all free to download!

Please help if you know this bike! I dont have the first clue on what to do! Physically look to see which wire on bike goes to ht coil, the kill switch, 2. Swift wiring diagram of engine management system wiring diagram. It can also be found in the repair manual or gotten as a print out from an auto part store. The suzuki ts125 was also known as the duster. Our suzuki automotive repair manuals are split into five broad categories; Swift delivery original suzuki ts125 parts. Please help if you know this bike! I have tried to tell the suzuki ts 125 model history on this page, as i know it. I dont have the first clue on what to do! Your #1 online source of new genuine original oem parts for 1982 suzuki ts125 ( sales region, , 725175) at discounted prices from manufacturers' warehouses in japan, usa, uae. Swift interior lighting, direction indicators and alarms circuit diagram.

The results of joint labor did not take long. Physically look to see which wire on bike goes to ht coil, the kill switch, 2. I need a wiring diagram from the magneto to the cdi colors can anyone help. 1998 dr650 suzuki wiring diagram dual sport, suzuki lj 80 wiring diagram, suzuki samurai wiring diagram, suzuki vitara 4 speed automatic wiring circuit diagram, suzuki vitara 16 we have 6 suzuki vehicles diagrams, schematics or service manuals to choose from, all free to download! Lifan maico mbk megelli midual mondial moto guzzi moto morini motorhispania munch mv agusta mz neval norton orange county choppers ossa petronas polaris qianjiang qlink regal raptor ridley sachs sagitta sherco skyteam stels suzuki sym titan tm racing tn'g tomos triumph tvs vento.

Suzuki An 125 Wiring Diagram Wiring Diagram Circuit Hard Circuit Hard Teglieromane It
Suzuki An 125 Wiring Diagram Wiring Diagram Circuit Hard Circuit Hard Teglieromane It from static-cdn.imageservice.cloud
Notice wires to coil, kill switch, 2 to magneto and earth the diagram link shows what the wires are. Suzuki grand vitara, swift wiring diagrams. I have tried to tell the suzuki ts 125 model history on this page, as i know it. I have no spark at all @. 1998 dr650 suzuki wiring diagram dual sport, suzuki lj 80 wiring diagram, suzuki samurai wiring diagram, suzuki vitara 4 speed automatic wiring circuit diagram, suzuki vitara 16 we have 6 suzuki vehicles diagrams, schematics or service manuals to choose from, all free to download! The suzuki ts125 was also known as the duster. Suzuki burgman uh125 service manual 357 pages. Swift wiring diagram of engine management system wiring diagram.

Swift delivery original suzuki ts125 parts.

Air conditioner wiring diagram picture. The wiring diagram for the radio harness of this car can be found in its maintenance manual. It can also be found in the repair manual or gotten as a print out from an auto part store. Видео !!!!suzuki 1976 ts 125 wiring help!!!! I have no spark at all @. Swift wiring diagram of engine management system wiring diagram. Your #1 online source of new genuine original oem parts for 1982 suzuki ts125 ( sales region, , 725175) at discounted prices from manufacturers' warehouses in japan, usa, uae. Swift delivery original suzuki ts125 parts. Suzuki tc90 ts90 tc ts 90 electrical wiring harness diagram schematics here. It could reach a top speed of 68 mph (110 km/h). Our suzuki automotive repair manuals are split into five broad categories; You can find a free wiring diagram for a 1982 suzuki gs 550 in the owner's manual. Map sensor wire diagram 202 isuzu ftr wiring diagram.

By